9zip.ru
Ламповый звук hi-end и ретро электроника 
Виртуальная земля: как получить двухполярное питание из обычного
В жизни любого радиолюбителя (особенно тех, кто строит усилители звука) наступает момент, когда схема требует двухполярного питания (например, +15В и -15В), а под рукой есть только обычный блок питания от ноутбука или монитора.
Тут на помощь приходит схема, которую называют по-разному: "Виртуальная земля", "Искусственная средняя точка" или по-английски Rail Splitter. Задача этой схемы - разделить одно напряжение ровно пополам и создать новую, стабильную точку "нуля", относительно которой у нас появятся и "плюс", и "минус".
Давайте разберем три основных способа это сделать: от дедовских методов до современных лайфхаков, и выясним, где какие подводные камни.
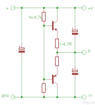
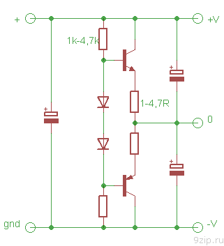
Транзисторный буфер (Дискретная схема)Самый старый и проверенный способ. Суть проста: делаем делитель напряжения на резисторах, который задает эталонные пол-питания, и ставим два транзистора (NPN и PNP), которые работают, как усилители тока.
Вариант А: Простой (Class B)
В этой схеме базы транзисторов соединены вместе и подключены напрямую к делителю.

• Как это работает: Транзисторы "спят", пока напряжение на выходе не отклонится слишком сильно.
• Да, тут есть, ступенька, и большая. Кремниевым транзисторам нужно около 0.6В, чтобы открыться. Это значит, что в диапазоне ±0.6В вокруг нуля транзисторы закрыты, и виртуальная земля держится только на конденсаторах и резисторах. При переходе тока через ноль возникает пауза.
• Плюсы: Схема надежная, как танк. В покое транзисторы вообще не греются (ток покоя = 0).
• Минусы: Плохая стабилизация при малых токах. "Болтанка" напряжения в центре.
Вариант Б: Продвинутый (Class AB)
Чтобы убрать ступеньку, между базами транзисторов ставят два диода (или резисторы), которые создают начальное смещение.

• Ступенька отсутствует. Диоды приоткрывают транзисторы, они всегда готовы к работе.
• Особенность: Нужна термостабилизация. Диоды желательно приклеить к радиатору транзисторов, иначе при нагреве транзисторы могут открыться лавинообразно и сгореть.
Вердикт: Транзисторные схемы хороши своей доступностью, но требуют грамотного подбора деталей, чтобы ноль был жестким.
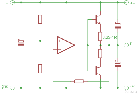
Связка ОУ + Транзисторы (Прецизионный подход)Это инженерная классика. Мы берем операционный усилитель (например, копеечный LM358 или более качественный TL071) и заставляем его управлять мощными транзисторами.

• Как это работает: ОУ сравнивает напряжение на выходе (на вашей виртуальной земле) с эталоном. Если нагрузка пытается утянуть землю хоть на милливольт, ОУ мгновенно открывает нужный транзистор и компенсирует просадку.
• Ступеньки нет. Хотя сами транзисторы тут часто включают в режиме B (без диодов смещения), ОУ за счет бешеного усиления успевает перепрыгнуть мертвую зону транзисторов быстрее, чем это заметит нагрузка.
• Плюсы: Идеально держит ноль. Экономична (транзисторы не греются без нагрузки). Стабильность зависит от качества ОУ, а ток - от мощности транзисторов.
• Минусы: Больше деталей на плате.
TDA2030 как Супер-ОУА теперь самый элегантный вариант для мощных нагрузок (усилители 10-20 Вт). Зачем городить огород из ОУ и транзисторов, если инженеры уже упаковали всё это в один корпус микросхемы УНЧ?
TDA2030 (а также TDA2050, LM1875) - это по сути мощный операционный усилитель, способный качать ток до 3 Ампер.

• Как это работает: Микросхема включается в режиме повторителя напряжения (буфера) с 100% обратной связью. Она просто копирует напряжение с делителя на свой мощный выход.
• Ступенька отсутствует. Внутри микросхемы полноценный усилитель класса AB, настроенный на заводе.
• Плюсы: Защиты - внутри уже есть защита от КЗ и перегрева. Спалить её гораздо сложнее, чем рассыпные транзисторы. Простота - всего одна деталь + пара резисторов.
• Минусы: Потребляет ток покоя (40-50 мА), поэтому всегда чуть теплая. Может свистеть (самовозбуждаться), если не поставить конденсаторы возле ножек питания.
Куда ставить электролиты? До сплиттера или после? На входе (до схемы): Обязательно должна стоять большая емкость (например, 2200-4700 мкФ) между "+" и "-" вашего источника. Это основной бак с энергией.
На выходе (после схемы): Тут есть спор. Некоторые аудиофилы говорят, что конденсаторы на выходе мешают работе ОУ. Но для мощного питания (например, усилителя колонок) они необходимы.
• ОУ (или TDA) отрабатывает низкие частоты (бас) и держит постоянный ток.
• Конденсаторы берут на себя быстрые пики и ВЧ-помехи.
Совет: Не ставьте огромные банки (10000 мкФ) прямо на ножки TDA2030 - она может уйти в защиту или возбуд. Поставьте умеренные емкости (100-470 мкФ) возле стабилизатора, а основные емкости питания усилителя расположите уже непосредственно на плате самого усилителя.
Для чего в коллекторных или эмиттерных цепях транзисторов на подобных схемах иногда стоят резисторы?Резисторы в Эмиттерах - это самый частый случай. Обычно это низкоомные резисторы (от 0.1 Ом до 10 Ом). Защита от теплового разгона. Полупроводники имеют свойство: чем сильнее они нагреваются, тем лучше они проводят ток. Без резистора: Транзистор нагрелся -> Ток вырос -> Транзистор нагрелся еще сильнее -> Ток еще вырос -> Бабах. С резистором: Ток вырос -> На резисторе упало больше напряжения -> Напряжение база-эмиттер эффективно уменьшилось -> Транзистор прикрылся. Это местная отрицательная обратная связь (ООС), которая спасает транзисторы от самосожжения.
В схемах без ОУ эти резисторы делают переход тока от верхнего транзистора к нижнему более плавным для сглаживания ступеньки. Если у вас схема с ОУ, и обратная связь берется после этих резисторов, то ОУ компенсирует это падение, и минуса не будет, а защита останется.
Минус: Они повышают внутреннее сопротивление вашей виртуальной земли. Под нагрузкой напряжение будет проседать сильнее.
Резисторы в Коллекторах в классических усилителях звука их ставят редко (теряем КПД), но в схемах виртуальной земли они встречаются. Обычно это резисторы помощнее (10-100 Ом). Зачем нужны: ограничение тока КЗ. Если вы случайно замкнете вашу виртуальную землю на плюс или минус питания (или пробьет транзистор), ток будет ограничен законом Ома: I=U/RI=U/R. Разгрузка по теплу: часть тепла рассеивается не на нежном кристалле транзистора, а на дубовом резисторе.
Минус: они ограничивают максимальный ток, который схема может выдать в пике (например, при ударе баса). Если переборщить с номиналом, на пиках громкости питание будет проседать (клиппинг).
Для простой схемы на транзисторах (без ОУ): В эмиттеры (1-10 Ом) ставить обязательно, иначе схема будет нестабильна по температуре и напряжение будет сильно плавать.
Для схемы на ОУ + Транзисторы:
В эмиттеры - желательно поставить маленькие (0.22 - 1 Ом) для термостабильности.
В коллекторы - не обязательно, только если хотите перестраховаться от короткого замыкания.
Для TDA2030: Не нужны. Там всё внутри.
Нюанс: Если вы используете составные транзисторы (Дарлингтоны, типа КТ972/973 или TIP120/127), у которых огромный коэффициент усиления, то резисторы смещения в базы можно увеличить до 10-20 кОм. Это самый экономичный вариант.
Главная опасность - "Земля"Запомните главное правило виртуальной земли: GND выхода НЕ СОЕДИНЕН с минусом входа!
Если вы питаете усилитель через такой сплиттер от блока питания ПК, а потом соединяете вход усилителя с аудиовыходом этого же ПК - случится КЗ. Виртуальная земля (которая равна +15В относительно минуса БП) замкнется на реальную землю компьютера.
Решение: Используйте отдельный, гальванически развязанный блок питания (ноутбучный "кирпич" или трансформатор), который больше никуда не подключен.
Но есть нюанс, на котором погорело немало усилителей. Если вы используете ноутбучный блок питания, будьте предельно осторожны. Дело в том, что в некоторых блоках с трехконтактной вилкой "минус" выхода накоротко соединен с заземлением розетки. А теперь следите за руками: корпус вашего компьютера тоже заземлен. Ваша "виртуальная земля" находится под потенциалом, скажем, +15 Вольт относительно минуса блока питания. Втыкая аудиокабель в компьютер, вы соединяете его реальную землю (0 Вольт) с вашей виртуальной землей (+15 Вольт). Итог - жесткое короткое замыкание нижнего плеча стабилизатора, дым и, возможно, мертвая звуковая карта.
Если же блок питания гальванически развязан от сети (вилка плоская или "минус" не звонится на землю), то жесткого КЗ не будет. Встроенные помехоподавляющие Y-конденсаторы создают лишь мягкую связь с сетью - стабилизатор это переживет, хотя при подключении кабеля может проскочить безобидная искра или появиться легкий сетевой фон в динамиках.
Золотое правило: Перед подключением прозвоните мультиметром "минус" выходного штекера БП и земляной контакт его вилки 220В. Если звонится - использовать такой блок в связке с компьютером нельзя!
НагревЛюбая из этих схем - линейная. Это значит, что лишняя энергия превращается в тепло. Если у вас перекос нагрузки (одно плечо потребляет больше другого), стабилизатор будет греться.
Радиатор обязателен! Для TDA2030 при питании 10-ваттного усилителя потребуется радиатор площадью хотя бы 50-100 кв.см. Учтите, что на фланце TDA2030 обычно сидит "минус" питания, поэтому её нужно изолировать прокладкой от радиатора, если он касается корпуса.
Итог: Нужно запитать простую схему током 50 мА? Берите LM358 + транзисторы. Нужно запитать усилитель мощности? Не мучайтесь и ставьте TDA2030. Это надежно, мощно и защищено от ошибок.
5 
нравится?
1 
31.01.2026 ©
9zip.ru
Авторские права охраняет Роскомнадзор
 | Понравилась статья? Штрилиц говорит: поделись с друзьями! |
|
Хочешь почитать ещё про ламповый звук? Вот что наиболее популярно на этой неделе:
По схеме ОУ+транзисторы. Для большинства задач схема годится, но если вы питаете качественный звук, будьте осторожны. Проблема в том, что транзисторы здесь открываются не мгновенно, существует "слепая зона" в 1,2 Вольта, пока один транзистор уже закрылся, а второй еще не открылся.
В этот момент операционный усилитель теряет связь с выходом и начинает очень быстро менять напряжение, пытаясь нащупать нагрузку. Из-за этого ваша "земля" начинает колебаться. Это происходит, когда в усилитель идет тишина или нагрузка симметрична. Стабильно схема работает только тогда, когда одно плечо питания нагружено значительно сильнее другого и транзистор принудительно открыт.
, Подробное руководство по проверке качества усилителя (УНЧ) с помощью генератора прямоугольных импульсов и осциллографа. Учимся читать форму сигнала: как определить нехватку басов, завал ВЧ, самовозбуждение и высохшие конденсаторы по искажениям меандра. Разбор типовых неисправностей.